焦作市兴科盘式制动器有限公司

欢迎来到焦作市兴科盘式制动器有限公司官方网站!

免费咨询热线

13903916289

您当前所在的位置:首页 > 产品中心 > 其他产品

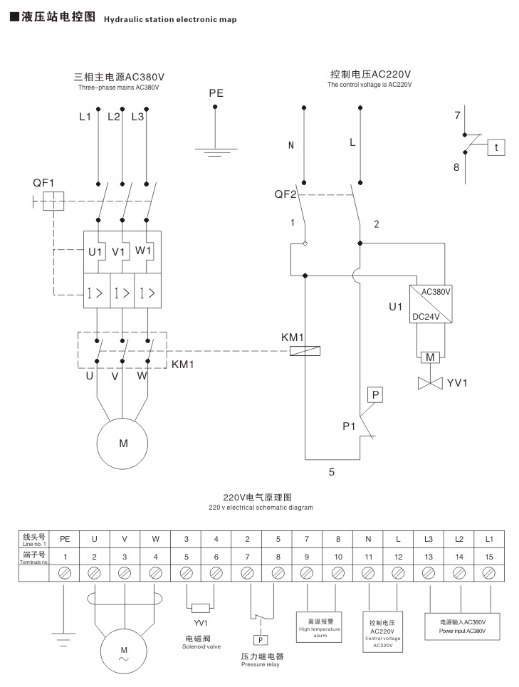
YZ型液压站
YZ型液压站
YZ型液压站
YZ型液压站
YZ型液压站
YZ型液压站

发布日期:2025-09-28

描述:

推荐产品:

咨询订购
咨询电话:13903916289
咨询订购

我们会在24小时内回复您的信息,欢迎垂询!